Pomoč pogostih vprašanjPomoč pogostih vprašanj   IščiIšči   Seznam članovSeznam članov   Skupine uporabnikovSkupine uporabnikov   Registriraj seRegistriraj se   Tvoj profilTvoj profil   Prijava za pregled zasebnih sporočilPrijava za pregled zasebnih sporočil   PrijavaPrijava 

Lampaš z GU-15

 
Objavi novo temo   Odgovori na to temo    Kazalo po www.audio-kontakt.com forumu -> Do-It-Yourself
Poglej prejšnjo temo :: Poglej naslednjo temo  
Avtor Sporočilo
kalimero



Pridružen/-a: Pon Sep 2008 21:25
Prispevkov: 287
Kraj: Šmartno pri Litiji

PrispevekObjavljeno: Pet Jul 21, 2017 16:57    Naslov sporočila: Lampaš z GU-15 Odgovori s citatom

Spet me je prijelo, da si naredim novega. Lampaša namreč. Tokrat sem za končno lampo vzel GU-15. To je ruska DHT (direktno greta) pentoda. Krivulje v triodni vezavi izgledajo zelo linearne:



Gre se za dokaj neznano lampo za katero na netu ni nekih shem. Za topologijo sem se odločil za Loftin White. To pa zato, ker te topologije še nisem testiral. Za predojačevalno lampo pa sem izbral C3G - vezana tudi v triodni vezavi.

Shema:



Vrednosti v oklepajih so izmerjene napetosti.

Izhodna moč je skoraj 4W, kar je dobro za 16W disipacije na lampi. Zvokovno mi je zelo všeč. Zadevo moram še malo preposlušati, tudi zato, da se vse skupaj še malo "ulavfa".

ojačevalec:


_________________
www.marsaudio.eu - zastopnik za Jantzen Audio in Fountek
Nazaj na vrh
Poglej uporabnikov profil Pošlji zasebno sporočilo Pošlji E-sporočilo Obišči avtorjevo spletno stran Telefon: 040758875
kalimero



Pridružen/-a: Pon Sep 2008 21:25
Prispevkov: 287
Kraj: Šmartno pri Litiji

PrispevekObjavljeno: Pon Jul 24, 2017 10:33    Naslov sporočila: Napajalnik Odgovori s citatom

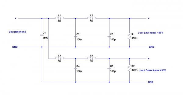
Dolžan sem še shemo napajalnika:



Tokrat sem ločil levi in desni kanal. Oba si delita prvi kondenzator, nato pa sta veji ločeni. Kondelci so JJ, deklarirani za 500V. Upora R1 in R2, pa sta zamo zato, da se kondelci v nekem določenem času spraznejo, ko ugasnem ojačevalec - da lahko človek v miru še kaj polota ali doda brez bojazni, da ga zruka 435V.

Takole pa zgleda napajalnik na proto plošči:


_________________
www.marsaudio.eu - zastopnik za Jantzen Audio in Fountek
Nazaj na vrh
Poglej uporabnikov profil Pošlji zasebno sporočilo Pošlji E-sporočilo Obišči avtorjevo spletno stran Telefon: 040758875
GiovanniTheX



Pridružen/-a: Tor Apr 2013 14:28
Prispevkov: 71
Kraj: godič

PrispevekObjavljeno: Pet Sep 01, 2017 19:10    Naslov sporočila: Odgovori s citatom

ena ne toliko relevantna stvar za neukega navdušenca - kakšno vlogo igrajo tuljave / navitja L1-L4 na napajalniku? Blažijo "dropoute" z usmernika oz. ravnajo signal napetosti ali...? kaj je fora da je prva v seriji z večjo induktivnostjo kot druga?
_________________
Lep pozdrav,
Janez Zabret
Nazaj na vrh
Poglej uporabnikov profil Pošlji zasebno sporočilo Telefon: 040214489
kalimero



Pridružen/-a: Pon Sep 2008 21:25
Prispevkov: 287
Kraj: Šmartno pri Litiji

PrispevekObjavljeno: Tor Sep 05, 2017 17:11    Naslov sporočila: Odgovori s citatom

GiovanniTheX je napisal/a:
ena ne toliko relevantna stvar za neukega navdušenca - kakšno vlogo igrajo tuljave / navitja L1-L4 na napajalniku? Blažijo "dropoute" z usmernika oz. ravnajo signal napetosti ali...? kaj je fora da je prva v seriji z večjo induktivnostjo kot druga?


Tem tuljavam se reče dušilke, skrbijo pa za glajenje enosmerne napetosti. Filtru pa se reče CLC filter. Ta filter delo opravlja bistve boljše kot CRC filter (kondenzator - upor - kondezator).

Ponavadi uporabim material, ki ga imam pri roki. Nekako se mi je zdelo, da bom za ustrezno glajenje potreboval dvojni CLC filter - torej CLCLC. V praksi pa se je nato pokazalo, da je povsem dovolj enojen CLC filter s samo večjo (5H) dušilko. Vrstni red po mojih izkušnjah ni važen.

Več podatkov in o delovanju CLC in CRC filtrov dobiš na netu.
_________________
www.marsaudio.eu - zastopnik za Jantzen Audio in Fountek
Nazaj na vrh
Poglej uporabnikov profil Pošlji zasebno sporočilo Pošlji E-sporočilo Obišči avtorjevo spletno stran Telefon: 040758875
Pokaži sporočila:   
Objavi novo temo   Odgovori na to temo    Kazalo po www.audio-kontakt.com forumu -> Do-It-Yourself Časovni pas GMT + 2 uri, srednjeevropski - poletni čas
Stran 1 od 1

 
Pojdi na:  
Ne, ne moreš dodajati novih tem v tem forumu
Ne, ne moreš odgovarjati na teme v tem forumu
Ne, ne moreš urejati svojih prispevkov v tem forumu
Ne, ne moreš brisati svojih prispevkov v tem forumu
Ne ne moreš glasovati v anketi v tem forumu


Powered by phpBB © 2001, 2005 phpBB Group


Zadnje teme - HI-FI

Zadnje teme - ostalo

VIDEOTEKA
© www.audio-kontakt.com  |  info@audio-kontakt.com  |  Pogoji uporabe